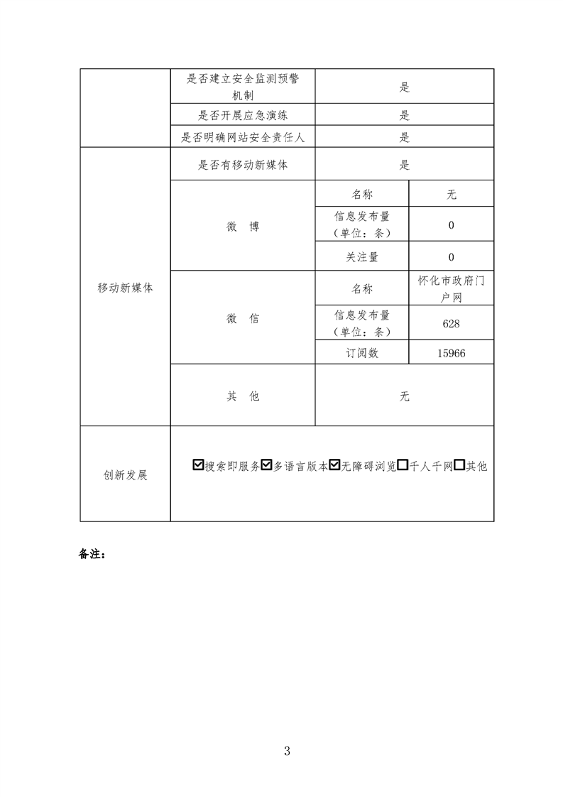
懷化市政府門戶網站2024年度工作年度報表

發布時間:2025-01-10 09:18信息來源:懷化市人民政府門戶網站